中文
English
Toggle navigation
首页
产品分类
燃气阀门成套方案
Product|English
LPG气化炉瓶组气化站系统
意大利giuliani anello
天然气|空气|氮气|氧气减压阀
燃气设备燃烧配件
库存展示
实力库存
清库存特价产品
资讯技术支持
技术支持
奥丽斯特动态
行业资讯
展会信息
应用领域
资料下载
关于奥丽斯特
发展历程
神的团队
资质证书
最新产品信息
陆工专属空间
谢工专属空间
李工专属空间
张工专属空间
李工专属空间
首页
最新产品信息
李工专属空间
新闻搜索
最新产品信息
陆工专属空间
谢工专属空间
李工专属空间
张工专属空间
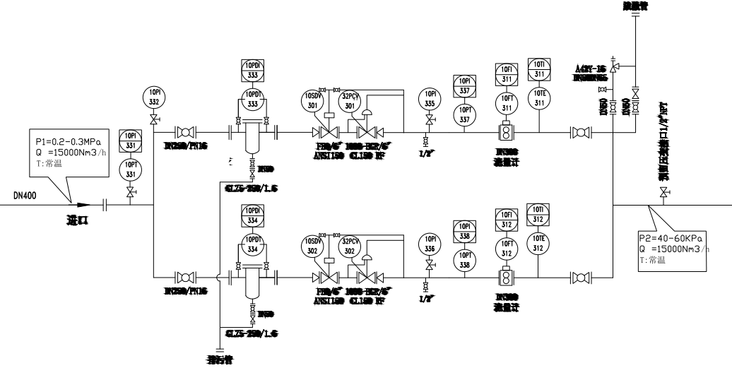
调压撬生产工艺图例
发布时间:2026-03-26
浏览量:
31
调压撬生产工艺图例
以下面图纸为例:看懂图纸从认识图例开始。
调压阀技术选型、阀门维修、电话:13632304525
上一篇:
常用燃气行业术语
下一篇:
常用法兰等级